DIN 2615 Tee are the results of work at national, European and/or international level. Anyone can submit a proposal for a new standard. Once accepted, the standards project is carried out according to set rules of procedure by the relevant DIN Standards Committee, the relevant Technical Committee of the European standards organization CEN (CENELEC for electrotechnical standards) or the relevant committee at the international standards organization isO (IEC for electrotechnical projects).
All stakeholders can participate in this work, including manufacturers, consumers, businesses, research institutes, public authorities and testing bodies. They send experts to represent their interests within DIN's working bodies, which are overseen by some 70 standards committees, each of which is responsible for a specific subject area. For work at European and international level, the DIN standards committees send experts to represent German interests within CEN and isO, respectively. DIN staff members coordinate the standardization process and are responsible for overall project management, ensuring the uniformity and consistency of the German standards collection.
Standards are developed with full consensus, that is, they are developed by experts with the aim of arriving at a common standpoint, taking the state of the art into consideration.
DIN Standards are reviewed at least every five years. If a standard no longer reflects the current state of technology, it is either revised or withdrawn.
Prosaic Steel and Alloy Supply DIN 2615 Tee in All Sizes.
Prosaic Steel and Alloys is one of the leading manufacturer and exporter of the High Grade DIN 2615 Buttweld Tee which use in various industries. DIN 2615 Buttweld Tee are manufactured according to the International standards, namely, the American standard [ANSI/ASTM], the British standard [BS EN], and the DIN/European standard [EN].
Steel butt-welding pipe fittings Tees with reduced pressure factor
This standard specifies seamless and welded steel tees that are intended to be butt welded to pipes. Although the wall thicknesses specified correspond to those the pipes, these fittings do not permit operation at the same internal pressure as the pipe welded on, i.e. they have a reduced pressure factor
| DIN 2615 Tee Specification | DIN 2615 Type A and DIN 2615 Type B. EN10253 Typ A and B, ASME B16.9, production according to customer specification. |
| DIN 2615 Tee Grades | EN / DIN()
|
| DIN 2615 Tee Shapes | Equal Tee, Unequal Tee, Reducing Tee |
| DIN 2615 Tee Outer Diameter & Wall Thickness Size | 1/2" NB To 32" NB (Nominal Bore Size) Wall Thickness: from 1 mm to 50 mm, depending on the outside diameter |
| DIN 2615 Tee Make Process | SEAMLESS AND WELDED in Equal, Reducing and Unequal |
| DIN 2615 Tee Types | DIN 2615-1 Type A Tee, DIN 2615-2 Type B Tee |
| DIN 2615 Tee Delivery Conditions | As Rolled, Normalizing Rolled, Thermomechanical Rolled / Formed, Normalizing Formed, Normalized and Tempered / Quenched and Tempered - BR / N / Q /T, Machined |
| DIN 2615 Tee Dimension Standard | Standard - ANSI - ANSI B16.5, ANSI B16.47, MSS SP44, ANSI B16.28, ANSI B16.36, and ANSI B16.48 |
| DIN 2615 Tee Other Testing | NACE MR0175, NACE TM0177, NACE TM0284, CHARPY V-NOTCH TEST, RADIOGRAPHIC EXAMINATION, XRAY, ULTRASONIC EXAMINATION, LIQUID PENETRANT, MAGNETIC PARTICLE, HIC TEST, SSC TEST, SWC, H2 SERVICE, IBR, PWHT etc. |
| DIN 2615 Tee Value Added Services | Draw / Expansion / Machining / Sand Blasting / Shot Blasting / Galavanizing / Heat Treatment |
| DIn 2615 Tee Packaging | Loose / Bundle / Wooden Pallet / Wooden Box / Plastic Cloth Wraps / Plastic End Caps / Beveled Protector |
| DIN 2615 Tee Shipment & Transportation | By Road - Truck / Train, By Sea - Break-bulk Conventional Vessel / FCL (Full Container Load) / LCL (Less Container Load) / 20 Feet Container / 40 Feet Container / 45 Feet Container / High Cube Container / Open Top Container, By Air - Freighter Civil Passenger and Cargo Planes |
| DIN 2615 Tee Material Test Certificate | Manufacturer Test Certificate As Per EN10204 3.1, 3.2 / Laboratory Test Certificate From NABL Approved Lab. / Under Third Party Inspection Agency Like SGS, TUV, DNV, LLOYDS, ABS ETC |
| EN / DIN | ASME / ASTM |
| P235GHTC1/2 (St 35.8 I/ III), P265GH, S355J2H, 16Mo3 (15Mo3), 10CrMo9-10 (10CrMo910), 13CrMo4-5 (13CrMo44), X11CrMo5, X11CrMo9-1, X20CrMOV11-1, X10CrMoVNb9-1, X10CrWMoVNb9-2, 7CrMoVTiB10-10, P215NL (TTST35N/V), 12Ni14 (10Ni14), P355N (StE355), P355NH (WStE355), P355NL1 (TStE355), P355NL2, L290NB (STE 290.7), L360NB (STE 360.7),1.4301, 1.4306, 1.4362(Lean Duplex), 1.4401, 1.4404, 1.4435, 1.4436, 1.4439, 1.4462(Duplex), 1.4466(Super Duplex), 1.4501, 1.4539, 1.4541, 1.4550, 1.4571 1.4841, 1.4878, 1.4876, 1.4952, 1.4835, 1.4877, 1.4910 | St 35.8 I + III, 15 Mo 3, 13 CrMo 4 4, 10 CrMo 9 10, TTSt 35 N, St 52.0, st WPA, WPB, WPC, WP1, WP5, WP9, WP11, WP12, WP22, WP32/27, WP91, WP92, WP304, WP304 H, WP304L, WP310, WP316, WP316L, WP316TI, WP321, WP347, WP347H, WPL 3, WPL6, X42, X52, WPHY52, WPHY60, S30815, S31000, S31050, S31500, S31726, S31803, S32760, N08904, Alloy 800H, DMV310N52.4 |
| DIN 2615-1 (PART 1) | DIN 2615-2 (PART 2) | ||
| Equal Tee | Unequal Tee / Reducing Tee | Equal Tee | Unequal Tee / Reducing Tee |
| DIN 2615-1 TYPE A Equal Tee | DIN 2615-1 TYPE A Equal Tee | DIN 2615-2 TYPE A Equal Tee | DIN 2615-2 TYPE A Reducing Tee |
| DIN 2615-1 TYPE B Equal Tee | DIN 2615-1 TYPE A Reducing Tee | DIN 2615-2 TYPE B Reducing Tee | DIN 2615-2 TYPE B Reducing Tee |
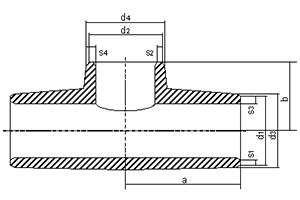
| 1 | d3 | d4 | ||||||||||||
|---|---|---|---|---|---|---|---|---|---|---|---|---|---|---|
| 2 | DN1 | d1 | s1 | DN2 | d2 | s2 | min | max | s3 | min | max | s4 | a | b |
| 3 | 15 | 21,3 | 2,0 | 15 | 21,3 | 2,0 | 21,3 | 24,5 | 4,0 | 21,3 | 22,5 | 3,0 | 25 | 25 |
| 4 | 10 | 17,2 | 1,8 | 21,3 | 23,5 | 3,5 | 17,2 | 18,5 | 2,6 | 25 | 25 | |||
| 5 | 20 | 26,9 | 2,3 | 20 | 26,9 | 2,3 | 26,9 | 30,5 | 4,7 | 26,9 | 28,5 | 3,5 | 29 | 29 |
| 6 | 15 | 21,3 | 2,0 | 26,9 | 29,5 | 4,1 | 21,3 | 22,5 | 3,1 | 29 | 29 | |||
| 7 | 10 | 17,2 | 1,8 | 26,9 | 29,0 | 3,7 | 18,5 | 18,5 | 2,7 | 29 | 29 | |||
| 8 | 25 | 33,7 | 2,6 | 25 | 33,7 | 2,6 | 33,7 | 38,0 | 5,4 | 33,7 | 35,5 | 4,0 | 38 | 38 |
| 9 | 20 | 26,9 | 2,3 | 33,7 | 36,5 | 4,7 | 26,9 | 28,5 | 3,5 | 38 | 38 | |||
| 10 | 15 | 21,3 | 2,0 | 33,7 | 36,0 | 4,2 | 21,3 | 23,0 | 3,2 | 38 | 38 | |||
| 11 | 32 | 42,4 | 2,6 | 32 | 42,4 | 2,6 | 42,4 | 47,0 | 5,6 | 42,4 | 44,5 | 4,2 | 48 | 48 |
| 12 | 25 | 33,7 | 2,6 | 42,4 | 45,5 | 4,9 | 33,7 | 35,0 | 3,7 | 48 | 48 | |||
| 13 | 20 | 26,9 | 2,3 | 42,4 | 45,0 | 4,3 | 26,9 | 28,0 | 3,3 | 48 | 48 | |||
| 14 | 15 | 21,3 | 2,0 | 42,4 | 44,0 | 4,0 | 21,3 | 22,5 | 3,0 | 48 | 48 | |||
| 15 | 40 | 48,3 | 2,6 | 40 | 48,3 | 2,6 | 48,3 | 53,0 | 5,7 | 48,3 | 50,5 | 4,2 | 57 | 57 |
| 16 | 32 | 42,4 | 2,6 | 48,3 | 52,5 | 5,3 | 42,4 | 44,0 | 4,0 | 57 | 57 | |||
| 17 | 25 | 33,7 | 2,6 | 48,3 | 51,0 | 4,7 | 33,7 | 34,5 | 3,5 | 57 | 57 | |||
| 18 | 20 | 26,9 | 2,3 | 18,3 | 50,5 | 4,2 | 26,9 | 28,0 | 3,2 | 57 | 57 | |||
| 19 | 50 | 60,3 | 2,9 | 50 | 60,3 | 2,9 | 60,3 | 66,0 | 6,5 | 60,3 | 63,0 | 4,9 | 64 | 64 |
| 20 | 40 | 48,3 | 2,6 | 60,3 | 64,5 | 5,7 | 48,3 | 50,5 | 4,3 | 64 | 60 | |||
| 21 | 32 | 42,4 | 2,6 | 60,3 | 64,0 | 5,4 | 42,4 | 44,0 | 4,0 | 64 | 57 | |||
| 22 | 25 | 33,7 | 2,6 | 60,3 | 63,0 | 4,8 | 33,7 | 35,0 | 3,5 | 64 | 51 | |||
| 23 | 20 | 26,9 | 2,3 | 60,3 | 62,0 | 4,3 | 26,9 | 28,0 | 3,3 | 64 | 44 | |||
| 24 | 65 | 76,1 | 2,9 | 65 | 76,1 | 2,9 | 76,1 | 82,0 | 6,7 | 76,1 | 79,0 | 3,5 | 76 | 76 |
| 25 | 50 | 60,3 | 2,9 | 76,1 | 80,5 | 5,9 | 60,3 | 62,5 | 4,5 | 76 | 70 | |||
| 26 | 40 | 48,3 | 2,6 | 76,1 | 79,5 | 5,4 | 48,3 | 50,0 | 4,0 | 76 | 67 | |||
| 27 | 32 | 42,4 | 2,6 | 76,1 | 79,0 | 5,0 | 42,4 | 44,0 | 3,8 | 76 | 64 | |||
| 28 | 25 | 33,7 | 2,6 | 76,1 | 78,0 | 4,6 | 33,7 | 34,5 | 3,4 | 76 | 57 | |||
| 29 | 80 | 88,9 | 3,2 | 80 | 88,9 | 3,2 | 88,9 | 95,5 | 7,5 | 88,9 | 92,5 | 5,6 | 86 | 86 |
| 30 | 65 | 76,1 | 2,9 | 88,9 | 94,5 | 7,0 | 76,1 | 79,5 | 5,3 | 86 | 83 | |||
| 31 | 50 | 60,3 | 2,9 | 88,9 | 93,0 | 6,2 | 60,3 | 62,5 | 4,6 | 86 | 76 | |||
| 32 | 40 | 48,3 | 2,6 | 88,9 | 92,0 | 5,6 | 48,3 | 50,5 | 4,2 | 86 | 73 | |||
| 33 | 32 | 42,4 | 2,6 | 88,9 | 91,5 | 5,3 | 42,4 | 44,0 | 3,9 | 86 | 70 | |||
| 34 | 100 | 114,3 | 4 | 100 | 114,3 | 3,6 | 114,3 | 122,5 | 8,7 | 114,3 | 118,5 | 6,5 | 105 | 105 |
| 35 | 80 | 88,9 | 3,2 | 114,3 | 120,5 | 7,5 | 88,9 | 92,5 | 5,7 | 105 | 98 | |||
| 36 | 65 | 76,1 | 2,9 | 114,3 | 119,5 | 7,1 | 76,1 | 79,5 | 5,3 | 105 | 95 | |||
| 37 | 50 | 60,3 | 2,9 | 114,3 | 118,0 | 6,3 | 60,3 | 63,0 | 4,7 | 105 | 89 | |||
| 38 | 40 | 48,3 | 2,6 | 114,3 | 117,0 | 5,8 | 48,3 | 50,5 | 4,3 | 105 | 86 | |||
| 39 | 125 | 139,7 | 4,0 | 125 | 139,7 | 4,0 | 139,7 | 149,0 | 9,8 | 139,7 | 144,5 | 7,3 | 124 | 124 |
| 40 | 100 | 114,3 | 3,6 | 139,7 | 147,0 | 8,8 | 114,3 | 118,5 | 6,6 | 124 | 117 | |||
| 41 | 80 | 88,9 | 3,2 | 139,7 | 145,5 | 7,8 | 88,9 | 92,5 | 5,8 | 124 | 111 | |||
| 42 | 65 | 76,1 | 2,9 | 139,7 | 144,5 | 7,3 | 76,1 | 80,0 | 5,5 | 124 | 108 | |||
| 43 | 50 | 60,3 | 2,9 | 139,7 | 143,0 | 6,6 | 60,3 | 63,0 | 4,9 | 124 | 105 | |||
| 44 | 150 | 168,3 | 4,5 | 150 | 168,3 | 4,5 | 168,3 | 179,0 | 11,2 | 168,3 | 174,0 | 8,5 | 143 | 143 |
| 45 | 125 | 139,7 | 4,0 | 168,3 | 177,0 | 10,2 | 139,7 | 145,0 | 7,7 | 143 | 137 | |||
| 46 | 100 | 114,3 | 3,6 | 168,3 | 175,5 | 9,1 | 114,3 | 119,0 | 6,9 | 143 | 130 | |||
| 47 | 80 | 88,9 | 3,2 | 168,3 | 173,5 | 8,2 | 88,9 | 93,0 | 6,2 | 143 | 124 | |||
| 48 | 65 | 76,1 | 2,9 | 168,3 | 172,5 | 7,7 | 76,1 | 80,5 | 5,7 | 143 | 121 | |||
| 49 | 200 | 219,1 | 6,3 | 200 | 219,1 | 6,3 | 219,1 | 234,5 | 15,9 | 219,1 | 227,5 | 11,9 | 178 | 178 |
| 50 | 150 | 168,3 | 4,5 | 219,1 | 228,5 | 12,7 | 168,3 | 176,0 | 9,5 | 178 | 168 | |||
| 51 | 125 | 139,7 | 4,0 | 219,1 | 228,0 | 12,3 | 139,7 | 148,0 | 9,3 | 178 | 162 | |||
| 52 | 100 | 114,3 | 3,6 | 219,1 | 226,5 | 11,3 | 114,3 | 122,0 | 8,5 | 178 | 156 | |||
| 53 | 80 | 88,9 | 3,2 | 219,1 | 224,5 | 10,3 | 88,9 | 96,0 | 7,7 | 178 | 152 | |||
| 54 | 250 | 273,0 | 6,3 | 250 | 273,0 | 6,3 | 273,0 | 289,0 | 16,2 | 273,0 | 282,0 | 12,2 | 216 | 216 |
| 55 | 200 | 219,1 | 6,3 | 273,0 | 285,5 | 14,4 | 219,1 | 225,5 | 10,9 | 216 | 203 | |||
| 56 | 150 | 168,3 | 4,5 | 273,0 | 282,5 | 12,7 | 168,3 | 176,0 | 9,5 | 216 | 194 | |||
| 57 | 125 | 139,7 | 4,0 | 273,0 | 281,0 | 11,7 | 139,7 | 147,0 | 8,8 | 216 | 191 | |||
| 58 | 100 | 114,3 | 3,6 | 273,0 | 279,0 | 10,7 | 114,3 | 121,0 | 8,1 | 216 | 184 | |||
| 59 | 300 | 323,9 | 7,1 | 300 | 323,9 | 7,1 | 323,9 | 342,0 | 18,5 | 323,9 | 334,0 | 13,9 | 254 | 254 |
| 60 | 250 | 273,0 | 6,3 | 323,9 | 339,5 | 17,0 | 273,0 | 282,5 | 12,8 | 254 | 241 | |||
| 61 | 200 | 219,1 | 6,3 | 323,9 | 336,0 | 15,1 | 219,1 | 226,5 | 11,3 | 254 | 229 | |||
| 62 | 150 | 168,3 | 4,5 | 323,9 | 333,5 | 13,5 | 168,3 | 177,0 | 10,2 | 254 | 219 | |||
| 63 | ||||||||||||||
DIN 2615 Tee in are Palletize with Shrink Wrap Plastic or Packed in Wooden Box.
Both ends of each crate will indicate the order no., heat no., dimensions, weight and bundles or as requested. We can also offer customized packaging for DIN 2615 Tee as per customer's requirement.
Export packaging is geared towards the protection, handling and transport of DIN 2615 Tee by air or sea freight and, as such, shares many characteristics with export and transport packaging. Utmost care must also be taken to make overseas packaging suitable for long periods of storage. It is important for overseas packaging to be designed with ease of handling in mind, so as to ensure DIN 2615 Tee is treated with the utmost care at all times.
We exportDIN 2615 Tee to Saudi Arabia, Iran, Iraq, United Arab Emirates, Qatar, Bahrain, Oman, Kuwait, Turkey, Egypt, Yemen, Syria, israel, Jordan, Cyprus, Singapore, Malaysia, Indonesia, Thailand, Vietnam, South Korea, Japan, Sri Lanka, Maldives, Bangladesh, Mayanmar, Taiwan, Cambodia, Argentina, Bolivia, Brazil, Chile, Venezuela, Colombia, Ecuador, Guyana, Paraguay, Uruguay, United States Of America, Canada, Mexico, Panama, Costa Rica, Puerto Rica, Trinidad And Tobago, Jamaica, Bahamas, Denmark, Russia, Norway, Germany, France, Italy, United Kingdom, Spain, Ukraine, Netherland, Belgium, Greece, Czech Republic, Portugal, Hungary, Albania, Austria, Switzerland, Slovakia, Finland, Ireland, Croatia, Slovenia, Malta, Nigeria, Algeria, Angola, South Africa, Libya, Egypt, Sudan, Equatorial Guinea, The Republic Of Congo, Gabon, europe, Africa, Asia, North America, South America, Middle East, Far East.etc
Prosaic Steel and Alloys is a well known worldwide exporter of DIN 2615 Tee, Prosaic Steel and Alloys is committed to provide each and every customer with the highest standard of customer service. We deals in DIN 2615 Teein India & Overseas, offering a wide range of DIN 2615 Tee
Prosaic Steel and Alloys is Leading Manufacturer, Distributor, Exporter, Stockholder and Supplier of DIN 2615 Tee in United States of America (USA), Saudi Arabia, Iran, Iraq, United Arab Emirates UAE), Singapore, Malaysia, Indonesia
DIN 2615 Tee | DIN 2615 Tee Part 1 | DIN 2615 Tee Part 2
We provided DIN 2615 Tee. We Carry Complete Range from 1/2" NB to 48" NB. Prosaic Steel and Alloys DIN 2615 Tee are known for its High Quality and Competitive Price.
DIN 2615-1 Type A Equal Tee, DIN 2615-1 Type A Reducing Tee, DIN 2615-1 Type A Unequal Tee, DIN 2615-2 Type B Equal Tee, DIN 2615-2 Type B Reducing Tee, DIn 2615-2 Type B Unequal tee